TTC200型对刀器由带有通讯电缆的对刀器和实现自动对刀软件两部分组成;在加工之前,对刀器可以设定切削刀具的长度和直径,有助于降低废品率、提高生产效率;TTC200型对刀器适用各种型号的加工中心,采用电缆通讯的方式完成与机床的连接,经济高效。
| 对刀块的触发方向 | ±X,±Y,-Z |
| 对刀块的触发保护行程 | X-Y±5mm,Z-8mm |
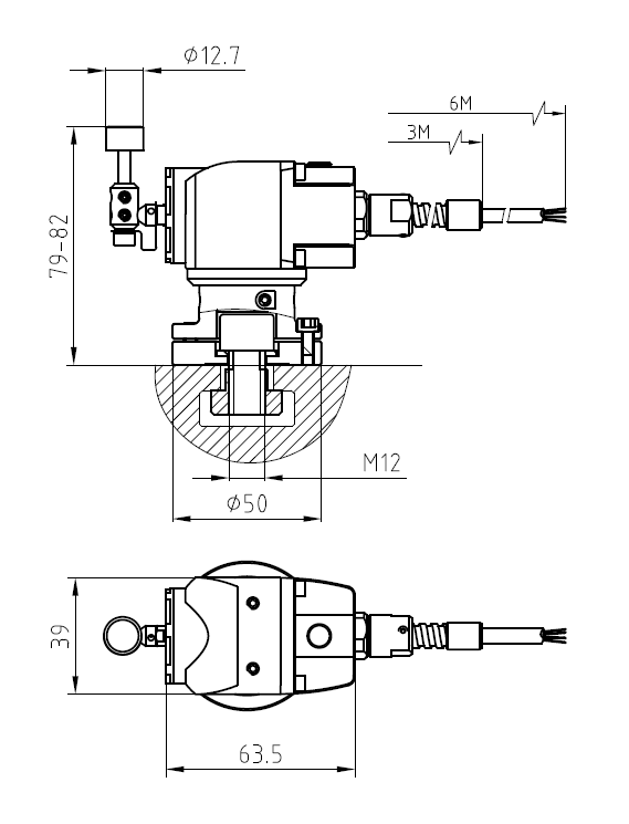
| 对刀块直径 | 12.7±0.005mm |
| 对刀面硬度 | HM8.5 |
| 对刀器重复触发精度(2σ) | ≤1um |
| 输入电压 | 24V±10%(DC) |
| 工作电流(max) | 50mA |
| 对刀器防护等级 | IP68 |


关于电缆的长度,核实对刀器配备电缆的长度是否满足机床的安装要求;如需加长电缆,需要在订购时特别说明;
如需要方形对刀块,应该在订货时特别提出。